Features
ü Supports 41.2Gbps aggregate bit rates
ü Uncooled 4x10.3Gbps CWDM transmitter
ü High-sensitivity PIN-TIA receiver
ü Up to 10km on SMF
ü Duplex LC receptacles
ü Hot pluggable QSFP+ form factor
ü Power dissipation < 3.5W
ü All-metal housing for superior EMI performance
ü RoHS6 compliant (lead free)
ü Operating case temperature:
Commercial: 0ºC to +70°C
Applications
ü 40GBASE-LR4
ü InfiniBand QDR and DDR interconnects
ü 40G Telecom connections
ü
Standards
ü Compliant with SFF-8436
ü Compliant with SFF-8636
ü Compatible with IEEE802.3ba
Description
The
QSFP+ transceivers are designed for use in 40-Gigabit Ethernet
links up to 10km over Single Mode Fiber.
The
transceivers are compatible with SFF-8436 and SFF-8636. For further information,
please refer to SFF-8436 and SFF-8636.
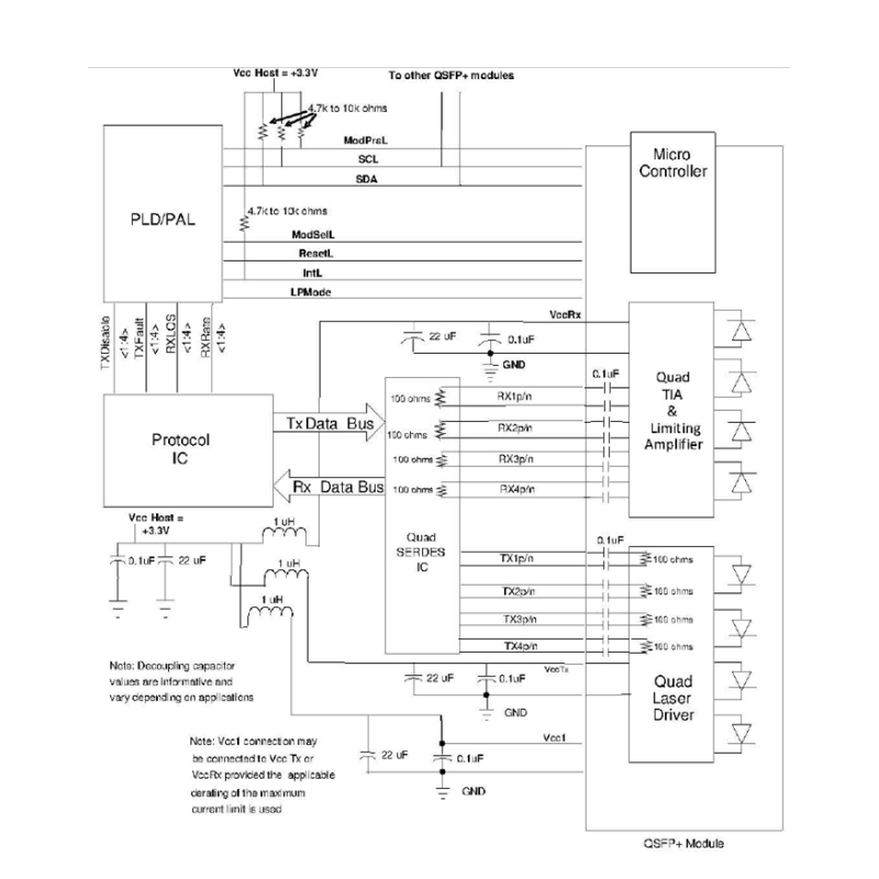
Module Block Diagram

Absolute Maximum
Ratings
|
Parameter
|
Symbol
|
Min.
|
Typical
|
Max.
|
Unit
|
|
Power Supply Voltage
|
VCC
|
0
|
|
3.6
|
V
|
|
Storage Temperature
|
Ts
|
-40
|
|
+85
|
°C
|
|
Relative Humidity
|
RH
|
0
|
|
85
|
%
|
|
RX Input Average Power per Lane
|
Pmax
|
-
|
|
3.5
|
dBm
|
Recommended Operating
Environment
|
Parameter
|
Symbol
|
Min.
|
Typical
|
Max.
|
Unit
|
|
Power Supply Voltage
|
VCC
|
3.13
|
3.3
|
3.46
|
V
|
|
Power Supply Current
|
ICC
|
|
|
1000
|
mA
|
|
Power Dissipation
|
PD
|
|
|
3.5
|
W
|
|
Operating Case Temperature
|
TC
|
0
|
|
+70
|
°C
|
|
Aggregate Data Rate
|
-
|
|
41.25
|
|
Gbps
|
|
Bit Rate per Lane
|
BR
|
|
10.3125
|
|
Gbps
|
Electrical
Characteristics
|
Parameter
|
Symbol
|
Min.
|
Typical
|
Max.
|
Unit
|
Note
|
|
Transmitter
Section
|
|
|
Input Differential Impedance
|
Rin
|
90
|
100
|
110
|
Ω
|
|
|
Differential Data Input Swing
|
Vin PP
|
180
|
|
1000
|
mV
|
1
|
|
Receiver Section
|
|
|
Differential Data Output Swing
|
Vout PP
|
300
|
|
850
|
mV
|
|
Notes:
1.
Connected directly to TX
data input pins. AC coupling from pins into laser driver IC.
Optical Parameters
|
Parameter
|
Symbol
|
Min.
|
Typical
|
Max.
|
Unit
|
Note
|
|
Transmitter
Section
|
|
Lane Centre Wavelength (range)
|
λ0
|
1264.5
|
1271
|
1277.5
|
nm
|
|
|
λ1
|
1284.5
|
1291
|
1297.5
|
nm
|
|
|
λ2
|
1304.5
|
1311
|
1317.5
|
nm
|
|
|
λ3
|
1324.5
|
1331
|
1337.5
|
nm
|
|
|
Spectral Width (-20dB)
|
Δλ
|
|
|
1
|
nm
|
|
|
Side Mode Suppression Ratio
|
SMSR
|
30
|
|
|
dB
|
|
|
Average Optical Power per Lane
|
Pout
|
-7.0
|
|
+2.3
|
dBm
|
1
|
|
OMA Power per Lane
|
OMA
|
-4
|
|
3.5
|
dBm
|
1
|
|
Laser Off Power per Lane
|
Poff
|
-
|
-
|
-30
|
dBm
|
|
|
Extinction Ratio
|
ER
|
3.5
|
-
|
-
|
dB
|
2
|
|
Relative Intensity Noise
|
RIN
|
-
|
-
|
-128
|
dB/Hz
|
|
|
Optical Return Loss Tolerance
|
|
-
|
-
|
20
|
dB
|
|
|
Transmitter
eye mask definition
{X1, X2, X3,
Y1, Y2, Y3}
|
Compliant
with IEEE802.3ba
{0.25, 0.4,
0.45, 0.25, 0.28, 0.4}
|
2
|
|
Receiver
Section
|
|
|
Lane Center Wavelength (range)
|
λ0
|
1264.5
|
|
1277.5
|
nm
|
|
|
λ1
|
1284.5
|
|
1297.5
|
nm
|
|
|
λ2
|
1304.5
|
|
1317.5
|
nm
|
|
|
λ3
|
1324.5
|
|
1337.5
|
nm
|
|
|
Average Receiver Power per Lane
|
RXPX
|
-13.7
|
|
2.3
|
dBm
|
3
|
|
OMA Sensitivity per Lane
|
RXsens
|
|
|
-11.5
|
dBm
|
3
|
|
Los Assert
|
LOSA
|
-30
|
-
|
-
|
dBm
|
|
|
Los Dessert
|
LOSD
|
-
|
-
|
-16
|
dBm
|
|
|
Los Hysteresis
|
LOSH
|
0.5
|
-
|
5
|
dB
|
|
|
Overload per Lane
|
Pin-max
|
-
|
-
|
2.3
|
dBm
|
3
|
|
Receiver Reflectance
|
|
-
|
-
|
-12
|
dB
|
|
|
Damage Threshold per Lane
|
|
-
|
-
|
3.5
|
dBm
|
|
Notes:
1. The optical power is launched into 9/125µm SMF.
2. Measured with a PRBS 231-1 test pattern @10.3125Gbps.
3. Measured with a PRBS 231-1 test pattern @10.3125Gbps, ER=4dB, BER <10-12.
Pin Definitions
.jpg)
Pin Descriptions
|
Pin
|
Symbol
|
Description
|
Plug Seq.
|
Notes
|
|
1
|
Ground
|
Ground
|
1
|
1
|
|
2
|
Tx2n
|
Transmitter Inverted Data Input
|
3
|
|
|
3
|
Tx2p
|
Transmitter Non-Inverted Data Input
|
3
|
|
|
4
|
Ground
|
Ground
|
1
|
1
|
|
5
|
Tx4n
|
Transmitter Inverted Data Input
|
3
|
|
|
6
|
Tx4p
|
Transmitter Non-Inverted Data Input
|
3
|
|
|
7
|
Ground
|
Ground
|
1
|
1
|
|
8
|
ModSelL
|
Module Select
|
3
|
|
|
9
|
ResetL
|
Module Reset
|
3
|
|
|
10
|
VccRx
|
+3.3 V Power supply receiver
|
2
|
2
|
|
11
|
SCL
|
2-wire serial interface clock
|
3
|
|
|
12
|
SDA
|
2-wire serial interface data
|
3
|
|
|
13
|
Ground
|
Ground
|
1
|
1
|
|
14
|
Rx3p
|
Transmitter Non-Inverted Data Input
|
3
|
|
|
15
|
Rx3n
|
Transmitter Inverted Data Input
|
3
|
|
|
16
|
Ground
|
Ground
|
1
|
1
|
|
17
|
Rx1p
|
Transmitter Non-Inverted Data Input
|
3
|
|
|
18
|
Rx1n
|
Transmitter Inverted Data Input
|
3
|
|
|
19
|
Ground
|
Ground
|
1
|
1
|
|
20
|
Ground
|
Ground
|
1
|
1
|
|
21
|
Rx2n
|
Transmitter Inverted Data Input
|
3
|
|
|
22
|
Rx2p
|
Transmitter Non-Inverted Data Input
|
3
|
|
|
23
|
Ground
|
Ground
|
1
|
1
|
|
24
|
Rx4n
|
Transmitter Inverted Data Input
|
3
|
|
|
25
|
Rx4p
|
Transmitter Non-Inverted Data Input
|
3
|
|
|
26
|
Ground
|
Ground
|
1
|
1
|
|
27
|
ModPrsL
|
Module Present
|
3
|
|
|
28
|
IntL
|
Interrupt
|
3
|
|
|
29
|
VccTx
|
+3.3 V Power supply transmitter
|
2
|
2
|
|
30
|
Vcc1
|
+3.3 V Power Supply
|
2
|
2
|
|
31
|
LPMode
|
Low Power Mode
|
3
|
|
|
32
|
Ground
|
Ground
|
1
|
1
|
|
33
|
Tx3p
|
Transmitter Non-Inverted Data Input
|
3
|
|
|
34
|
Tx3n
|
Transmitter Inverted Data Input
|
3
|
|
|
35
|
Ground
|
Ground
|
1
|
1
|
|
36
|
Tx1p
|
Transmitter Non-Inverted Data Input
|
3
|
|
|
37
|
Tx1n
|
Transmitter Inverted Data Input
|
3
|
|
|
38
|
Ground
|
Ground
|
1
|
1
|
Notes:
Plug Seq.: Pin engagement
sequence during hot plugging.
1. Module ground pins GND
are isolated from the module case.
2. VccRx, Vcc1 and VccTx are
the receiver and transmitter power supplies and shall be applied concurrently.
Recommended Power Interface Circuit
.jpg)
Recommended Interface Circuit
.jpg)
Digital Diagnostic Functions
The
QSFP+ transceivers support the 2-wire serial communication protocol as defined
in the QSFP+ MSA, which allows real-time access to the following operating
parameters:
ü Transceiver temperature
ü Laser bias current
ü Transmitted optical power
ü Received optical power
ü Transceiver supply voltage
It
also provides a sophisticated system of alarm and warning flags, which may be
used to alert end-users when particular operating parameters are outside of a
factory-set normal range.
The
operating and diagnostics information is monitored and reported by a Digital
Diagnostics Transceiver Controller inside the transceiver, which is accessed
through the 2-wire serial interface. When the serial protocol is activated, the
serial clock signal (SCL pin) is generated by the host. The positive edge
clocks data into the QSFP+ transceiver into those segments of its memory map
that are not write-protected. The negative edge clocks data from the QSFP+
transceiver. The serial data signal (SDA pin) is bi-directional for serial data
transfer. The host uses SDA in conjunction with SCL to mark the start and end
of serial protocol activation. The memories are organized as a series of 8-bit
data words that can be addressed individually or sequentially. The 2-wire serial
interface provides sequential or random access to the 8 bit parameters,
addressed from 00h to the maximum address of the memory.
This
clause defines the Memory Map for QSFP+ transceiver used for serial ID, digital
monitoring and certain control functions. The interface is mandatory for all
QSFP+ devices. The memory map has been changed in order to accommodate 4
optical channels and limit the required memory space. The structure of the
memory is shown in Figure 2 QSFP+ Memory Map. The memory space is arranged into
a lower, single page, address space of 128 bytes and multiple upper address
space pages. This structure permits timely access to addresses in the lower
page, e.g. Interrupt Flags and Monitors. Less time critical entries, e.g.
serial ID information and threshold settings, are available with the Page
Select function. The structure also provides address expansion by adding
additional upper pages as needed. For
example, in Figure 2 upper pages 01 and 02 are optional. Upper page 01 allows
implementation of Application Select Table, and upper page 02 provides user
read/write space. The lower page and upper pages 00 and 03 are always
implemented. The interface address used is A0 and is mainly used for time
critical data like interrupt handling in order to enable a “one-time-read” for
all data related to an interrupt situation. After an Interrupt, IntL, has been
asserted, the host can read out the flag field to determine the effected
channel and type of flag.
For
more detailed information including memory map definitions, please see the
QSFP+ MSA Specification.
.jpg)
Ordering information
|
Part Number
|
Product
Description
|
|
YQS40-3110
|
40Gbps QSFP+
LR4, 10km on SMF, 0ºC ~ +70ºC, With DDM.
|
References
1. SFF-8436 Specification for QSFP+ Copper
and Optical Transceiver, Rev 4.7, February 2013.
2. SFF-8636
Specification for Management Interface for Cabled Environments, Rev 2.6, June
2015.
3. IEE 802.3ba - PMD Type
40GBASE-LR4.